자동 리니어 Z 스테이지
SZ Series

SZ-0604-3S
Table size(mm) : 60x91
Travel Range(mm) : 4
Travel Guide : B/S Φ6 Lead 1mm, Cross roller Guide
Material : Aluminum
Z - Stage 특징
1. WEDGE 타입의 수평면 Z축 스테이지
2. Compact size
3. 다양한 표준품 라인업
4. 고정밀도 실현
SZ-0808-3S
Table size(mm) : 80x100
Travel Range(mm) : ±4
Travel Guide : B/S Φ6 Lead 1mm, Cross roller Guide
Material : Aluminum
Z - Stage 특징
1. WEDGE 타입의 수평면 Z축 스테이지
2. 다양한 표준품 라인업
3. 고정밀도 실현
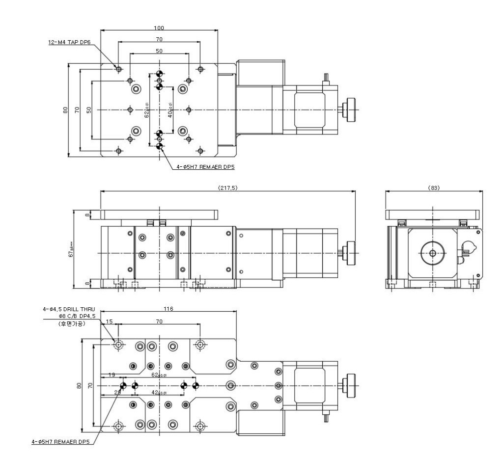
SZ-1212-3S
Table size(mm) : 120x120
Travel Range(mm) : ±6
Travel Guide : B/S Φ8 Lead 1mm, Cross roller Guide
Material : Aluminum
Z - Stage 특징
1. WEDGE 타입의 수평면 Z축 스테이지
2. 다양한 표준품 라인업
3. 고정밀도 실현
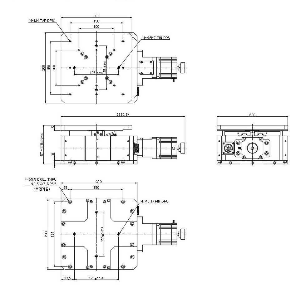
SZ-2020-4S
Table size(mm) : 200x200
Travel Range(mm) : ±10mm
Travel Guide : Ball Screw Φ12 Lead 5mm, Cross Roller Guide
Material : Aluminum
Z - Stage 특징
1. WEDGE 타입의 수평면 Z축 스테이지
2. 다양한 표준품 라인업
3. 고정밀도 실현
모터라이즈 스테이지, 모터 스테이지, Motorized Stage